Phoenix Contact — . Устройство сопряжения с шиной - IBS ST 24 BK DIO 8/8/3-T - 2752411



Наличие
Цена
Для уточнения цены нам необходимо связаться с производителем. Отправляйте запрос по почте, через корзину сайта или через форму заявки.
Ответим на Ваш запрос сегодня в течение дня.
Доставка
- транспортной компанией на Ваш выбор
- самовывоз из офиса в Санкт-Петербурге
- бесплатная доставка до терминала “Деловые Линии” в Санкт-Петербурге
Описание изделия
Клеммные модули шины INTERBUS-ST с дополнительными интерфейсами (для периферийных устройств)
Клеммные модули шины ввода-вывода INTERBUS дополнительно имеют по 8 цифровых входов и 8 цифровых выходов. Кроме того, функционально эти модули могут быть расширены несколькими модулями ввода-вывода INTERBUS-ST (до 4 модулей). Все функции клеммных модулей шины, такие, например, как включение/отключение модулей ввода-вывода по сети INTERBUS, остаются доступными без ограничений.
В особенности клеммные модули шины походят для тех случаев, когда ограничено место для монтажа, а также когда требуется небольшое количество точек ввода-вывода. Модули IBS ST 24 BK DIO 8/8/3-T и -LK предоставляют возможность подключения входов и выходов с помощью клеммных блоков с винтовыми зажимами и с помощью системного штекерного соединителя FLK. , что позволяет очень просто подключать электронные реле ELR 319 и модули ввода-вывода VARIOFACE с помощью 14-контактных штекерных соединителей FLK.
В модулях IBS ST 24 BK RB-T и IBS ST 24 BK RB-LK имеется дополнительный отвод для удаленной шины. Этот отвод удаленной шины имеет такие же ограничения в отношении структуры, как и сама удаленная шина. К отводу могут быть подключены любые устройства с интерфейсом удаленной шины.
Все модули шины INTERBUS позволяют производить индивидуальное включение и отключение дополнительных интерфейсов шины. Можно сказать, что каждый модуль выполняет функции двух модулей шины в пределах системы INTERBUS, и следовательно соответствующим образом отображается в списке адресов и программном обеспечении для конфигурирования (CMD).
Внимание! При проектировании ответвлений от клеммных модулей шины необходимо учитывать поддерживаемую платами контроллера INTERBUS топологию.Окружающие условия
Температура окружающей среды (при эксплуатации) 0 °C ... 55 °C Температура окружающей среды (хранение/транспорт) -25 °C ... 70 °C Допустимая отн. влажность воздуха (при эксплуатации) 75 % (В среднем, 85 % кратковременно, без выпадения конденсата) Допустимая влажность воздуха (хранение / транспортировка) 75 % (В среднем, 85 % кратковременно, без выпадения конденсата) Давление воздуха (при эксплуатации) 80 кПа ... 106 кПа (До 2000 м над уровнем моря) Давление воздуха (хранение / транспортировка) 80 кПа ... 106 кПа (До 2000 м над уровнем моря) Степень защиты IP20 Интерфейсы
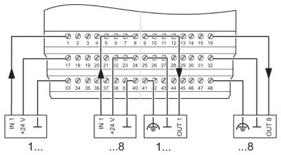
Система на базе полевой шины INTERBUS Наименование Удаленная шина INTERBUS Тип подключения 9-контактная вилка/розетка D-SUB Обозначение, место соединения входная / выходная удаленная шина Полюсов 9 Система на базе полевой шины Lokalbus Наименование Локальная шина ST Тип подключения Штекер локальной шины ST Скорость передачи данных 500 kBit/s Цифровые входы
Наименование, вход Цифровые входы Тип подключения Винтовые зажимы или штекеры FLK Способ подключения 3-проводная схема Количество входов 8 Время срабатывания, типовое ≥ 1 мс (стандартный (типовой)) Защитная схема Защита от перегрузки Плавкие предохранители в корпусной части разъема Входное напряжение 24 В DC Диапазон входных напряжений, сигнал "0" -30 В DC ... 5 В DC Диапазон входных напряжений, сигнал "1" 13 В DC ... 30 В DC Номинальный входной ток при UIN Тип. 5 мА (на канал) Цифровые выходы
Наименование, выход Цифровые выходы Тип подключения Винтовые зажимы или штекеры FLK Способ подключения 3-проводная схема Количество выходов 8 Защитная схема Защита от кор. зам. Электронный Максимальный выходной ток на 1 канал 500 мА Максимальный выходной ток на 1 модуль / клемму 4 А Максимальный выходной ток на 1 группу 2 А Питание электронного модуля
Электропитание 24 В DC Диапазон напряжения питания 18,5 В DC ... 30,5 В DC (с учетом пульсации) Пульсация 3,6 VSS в пределах допустимого диапазона напряжений Потребляемый ток Тип. 150 мА Общие сведения
Масса 690 г Тип монтажа Монтажная рейка Степень защиты III, IEC 61140, EN 61140, VDE 0140-1 Испытательный участок Входная удаленная шина / выходная удаленная шина 500 В AC 50 Гц 1 минута Входная удаленная шина / интерфейс ввода-вывода 500 В AC 50 Гц 1 минута Входная удаленная шина / ST-интерфейс 500 В AC 50 Гц 1 минута
О компании Phoenix Contact
PHOENIX CONTACT GmbH & Co. KG, производитель электротехнического оборудования для промышленных отраслей. Компания широко известна клеммной продукцией.
Головной офис Phoenix Contact расположен в Германии — городе Бломберг (Blomberg), Северный Рейн-Вестфалия. В группу компаний Phoenix Contact Deutschland входят двенадцать предприятий. Девять принадлежащих компании производственных предприятий за рубежом. Почти 50 сбытовых дочерних компаний и более 30 представительств в разных странах. Phoenix Contact имеет представительства более чем в 50 странах мира и насчитывает более 14000 сотрудников по всему миру.
Производственные площадки в Германии: Бломберг, Бад-Пюрмонт, Люденшайд, Херренберг, Фильдерштадт.
Другие производственные площадки: Гаррисберг (США), Наньцзин (Китай), Нью-Дели (Индия), Нови Томисл (Польша), Василико (Греция), Сан-Паулу (Бразилия), Бурза (Турция), Эльвдален (Швеция), ... Читать далее...






Ответ от производителя может занять до 5 дней и более.

