Phoenix Contact — . Измерительный преобразователь температуры - MCR-T-UI-NC - 2814100



Наличие
Цена
Для уточнения цены нам необходимо связаться с производителем. Отправляйте запрос по почте, через корзину сайта или через форму заявки.
Ответим на Ваш запрос сегодня в течение дня.
Доставка
- транспортной компанией на Ваш выбор
- самовывоз из офиса в Санкт-Петербурге
- бесплатная доставка до терминала “Деловые Линии” в Санкт-Петербурге
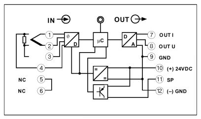
Входные данные
Конфигурируемый / программируемый да, не сконфигурирован Применяемые типы датчиков (RTD) Платиновый, никелевый, медный датчики Применяемые типы датчиков (TC) U, T, L, J, E, K, N, S, R, B, C, W, HK Диапазон сопротивлений, линейн. 0 Ω ... 8000 Ω (свободная настройка, мин. измерительный диапазон 100 Ω) Ток питания датчика 250 мкA (Термометр сопротивления) Диапазон измерения температуры в зависимости от используемого типа сенсора Способ подключения 2-, 3-, 4-проводной Защитная схема Защита от бросков тока при переходных процессах Защита от перенапряжений, 30 В постоян. тока Тип подключения вставные винтовые клеммы Выходные данные
Наименование, выход Выход сигнала напряжения / выход сигнала тока Конфигурируемый / программируемый да, не сконфигурирован Выходной сигнал, напряжение 0 В ... 10 В 0 В ... 5 В -5 В ... 5 В -10 В ... 10 В 10 В ... 0 В 5 В ... 0 В 10 В ... -10 В 5 В ... -5 В 1 В ... 5 В Выходной сигнал, ток 0 мА ... 20 мА 4 мА ... 20 мА 20 мА ... 0 мА 20 мА ... 4 мА макс. выходное напряжение ± 12 В макс. выходной ток 24 мА Диапазон значений выходного напряжения при обрыве линии -12 В ... 12 В Диапазон значений выходного тока при обрыве линии 0 А ... 24 мА Диапазон значений выходного напряжения при выходе за верхнюю / нижнюю границу измерительного диапазона -12 В ... 12 В Диапазон значений выходного тока при выходе за верхнюю / нижнюю границу измерительного диапазона 0 А ... 24 мА Нагрузка / выходная нагрузка, выход напряжения ≥ 10 кΩ Нагрузка / выходная нагрузка, выход тока ≤ 500 Ω Защитная схема Защита от бросков тока при переходных процессах Разрешение АЦП ± 12 бит Выходной переключающий контакт
Наименование, выход Транзисторный выход p-n-p Описание выходов с нагрузкой 100 мА, подключение питающего напряжения (без защиты от короткого замыкания); запирается в соответствии с заказанной конфигурацией или настраивается с помощью программы MCR/PI-CONF-WIN Диапазон выходного напряжения 18 В DC ... 30 В DC (подключение питающего напряжения, не защищен от короткого замыкания ) Ток длительной нагрузки 100 мА Питание
Диапазон напряжения питания 18 В DC ... 30 В DC Потребляемый ток, макс. ≤ 60 мА Потребляемый ток, типовой 40 мА Характеристики клемм
Тип подключения вставные винтовые клеммы Сечение жесткого проводника мин. 0,2 мм² Сечение жесткого проводника макс. 2,5 мм² Сечение провода AWG/kcmil, мин. 24 Сечение провода AWG/kcmil, макс. 14 Сечение гибкого проводника мин. 0,2 мм² Сечение гибкого проводника макс. 2,5 мм² Длина снятия изоляции 8 мм Резьба винтов M3 Общие сведения
Ошибка передачи, макс. ≤ 0,1 % (с максимальным диапазоном, ± 6 мВ или. ± 12 мкА на выходе) Температурный коэффициент, максимальный ≤ 0,01 %/K Температурный коэффициент, стандартн. 0,005 %/K Ошибка охлаждения, максимальная ≤ 3 K Ошибка охлаждения, типовая 1,5 K Испытательное напряжение, вход / выход 1 кВ (50 Гц, 1 мин) Испытательное напряжение, вход / питание 1 кВ (50 Гц, 1 мин) Цвет зеленый Материал корпуса Полиамид РА, неусиленный Монтажное положение на выбор Соответствие нормам Соответствие CE UL, США / Канада Класс I, раздел 2, группы A, B, C, D или неопасные помещ. GL Германский Ллойд
О компании Phoenix Contact
PHOENIX CONTACT GmbH & Co. KG, производитель электротехнического оборудования для промышленных отраслей. Компания широко известна клеммной продукцией.
Головной офис Phoenix Contact расположен в Германии — городе Бломберг (Blomberg), Северный Рейн-Вестфалия. В группу компаний Phoenix Contact Deutschland входят двенадцать предприятий. Девять принадлежащих компании производственных предприятий за рубежом. Почти 50 сбытовых дочерних компаний и более 30 представительств в разных странах. Phoenix Contact имеет представительства более чем в 50 странах мира и насчитывает более 14000 сотрудников по всему миру.
Производственные площадки в Германии: Бломберг, Бад-Пюрмонт, Люденшайд, Херренберг, Фильдерштадт.
Другие производственные площадки: Гаррисберг (США), Наньцзин (Китай), Нью-Дели (Индия), Нови Томисл (Польша), Василико (Греция), Сан-Паулу (Бразилия), Бурза (Турция), Эльвдален (Швеция), ... Читать далее...






Ответ от производителя может занять до 5 дней и более.

