IFM — . Энкодеры: RP6410 | RP-1000-I24/N15


Наличие
Цена
Для уточнения цены нам необходимо связаться с производителем. Отправляйте запрос по почте, через корзину сайта или через форму заявки.
Ответим на Ваш запрос завтра 29.11.2025 в течение дня.
Доставка
- транспортной компанией на Ваш выбор
- самовывоз из офиса в Санкт-Петербурге
- бесплатная доставка до терминала “Деловые Линии” в Санкт-Петербурге
-
Характеристики
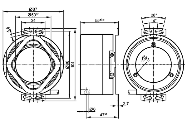
Угловой энкодер с полым валом HTL-выход 50 мA Кабель Разрешение 1000 Электронные данные
Рабочее напряжение [V] 10...30 DC Потребление тока [mA] < 150 Фазовый сдвиг A и B [°] 90 Частота переключения [kHz] 300 Импульсная диаграмма выход A выход B 0-индекс Выходы
Выход HTL-выход 50 мA Диапазон измерения / настройки
Энкодеры Разрешение 1000 Механические данные
Макс.допустимая скорость вращ.механическая [об./мин.] 4000 Пусковой вращающий момент [Ncm] < 20 (20 °C) вал, материал [mm] сквозной полый вал Ø 50 H7, сталь (1.4104) Макс. аксиальное смещение [mm] ± 1,5 *) Вибропрочность 10 g (55...2000 Hz) Ударопрочность 100 g (6 ms) Материал алюминий Вес [kg] 0,947 Условия эксплуатации
Макс. допустимая относительная влажность воздуха [%] Max. 75, кратковременно 95 % (конденсация недопустима) Температура окружающей среды [°C] -30...65, более высокий диапазон температур по требованию, для диаграммы смотрите инструкции по эксплуатации Степень защиты IP 64 Испытания / одобрения
MTTF [лет] 57 электрическое подключение
Электрическое подсоединение Кабель PUR (полиуретан) / 1 m; радиальный Назначение жил кабеля при подключении коричневый: A зелёный: A (inv.) серый: B розовый: B (inv.) красный: 0-индекс чёрный: 0-индекс (inv.) синий: 10...30V (датчик) белый: 0V (датчик) коричневый/зелёный: 10...30V (Up) белый/зелёный: 0V (Un) фиолетовый: ошибка (inv.) Экран: кожух Примечания
*) Nur zum Ausgleich von Montagetoleranzen und thermischer Ausdehnung. Keine dynamische Bewegung zulässig. Упаковочная величина [штука] 1 Технические характеристики RP6410.pdf
О компании IFM
Компания ifm electronic была основана 29 октября 1969 года Герхардом Мархофером и Робертом Баком. С момента своего основания компания специализируется на разработке и производстве бесконтактных датчиков, начав с индуктивных сенсоров для напряжения 220 В. Сегодня ifm electronic является ведущим мировым производителем компонентов для промышленной автоматизации, предлагая широкий ассортимент продукции для различных отраслей промышленности.
Основные направления деятельности компании:
Датчики позиционирования и обнаружения объектов: Индуктивные, емкостные, магнитные и фотоэлектрические датчики для бесконтактного определения положения объектов. Датчики контроля угловых и линейных перемещений: Энкодеры и системы для обнаружения движения, включая оценку скорости вращения. Системы технического зрения: 2D и 3D датчики в компактных корпусах для промышленного применения. Датчики физических величин: ... Читать далее...





Ответ от производителя может занять до 5 дней и более.

